НҮҮР
skip to main
|
skip to sidebar
Мэдээ
Хөтөлбөр
Хөтөлбөр
Журам
Протокол
Олимпиадын тухай
Электроникийн XV олимпиадын журам
Электроникийн XV олимпиадын дүн
Бодлогын сан
Бодлогын сан
Электроникийн XV олимпиадын бодлого
Аналог электроник
ШУТИС-КТМС
ШУТИС-МХТС
ШУТИС-ЭХИС(ЭХС)
ШУТИС-МехТС
ШУТИС-ДаТС
МУИС-МТС(ХШУИС)
МУИС-ФЭС(ШУС)
МУИС-УБС(УБнИС)
ХААИС-ИС
БХИС-ЦКС
МУБИС-МБУС
ЭрТС
ХИС-МХМС
ИЗОУИС
"УБ"ИС
Тоон электроник
ШУТИС-КТМС
ШУТИС-МХТС
ШУТИС-ЭХИС(ЭХС)
ШУТИС-МехТС
ШУТИС-ДаТС
МУИС-МТС(ХШУИС)
МУИС-ФЭС(ШУС)
МУИС-УБС(УБнИС)
ХААИС-ИС
БХИС-ЦКС
МУБИС-МБУС
ЭрТС
ХИС-МХМС
ИЗОУИС
"УБ"ИС
Цахилгаан техник
ШУТИС-КТМС
ШУТИС-МХТС
ШУТИС-ЭХИС(ЭХС)
ШУТИС-МехТС
ШУТИС-ДаТС
МУИС-МТС(ХШУИС)
МУИС-ФЭС(ШУС)
МУИС-УБС(УБнИС)
ХААИС-ИС
БХИС-ЦКС
МУБИС-МБУС
ЭрТС
ХИС-МХМС
ИЗОУИС
"УБ"ИС
Дадлагын даалгавар
Бодлого нэмэх заавар
Бодлого нэмэх
Оролцогчид
Олимпиадын оролцогчид
ЭШХ-ын илтгэлүүд
Зургийн цомог
Хэрэгтэй файлууд
Tuesday, October 8, 2013
Цахилгаан техник 10-2012
10:59 AM
electronics
No comments
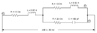
Дараах хэлхээний
A,B,C цэг дээрх хүчдлүүдийг тодорхойл
Салаа бүрийн гүйдлүүдийг тодорхойл
Хэлхээний гүйдлийг тодорхойл
Хэлхээний идэвхитэй чадлыг тодорхойл
Хэлхээний чадлын коэффициент тодорхойл
Вектор диаграммыг зур
Posted in:
ШУТИС-МХТС-Ц
Newer Post
Older Post
Home
0 comments:
Post a Comment
Эрэлттэй
Шошго
Архив
Эрэлттэй
Диодны төрөл ангилал
Диоднууд ба түүний ангилал, төрөл, хэрэглээ
Протокол
Электроникийн XVI олимпиадын техникийн зөвлөгөөнөөс гаргасан шийдвэр огноо: 10 сарын 8 1. Техникийн зөвлөгөөнөөс гаргасан энэхүү шийдв...
Электроникийн Улсын Олимпиад-2013
Компьютерийн Техник Менежментийн Сургуулийн Компьютерийн техникийн багийн хамт олны санаачилгаар 1999 оны 5 сарын 8 нд Монгол улсад электр...
Цахилгаан хэлхээ 6-2014
Аккумуляторын цахилгаан хөдөлгөгч хүч ба дотоод эсэргүүцлийг тодорхойлох зорилгоор доорх зурагт үзүүлсэн хэлхээ угсарч хэмжилт хийв. Амперме...
Электроникийн 16 дугаар олимпиадын мэдээлэл
У лсын, ээлжит электроникийн XVI олимпиадийг 2014 оны 11 сарын 8-9 өдрүүдэд ШУТИС. Мэдээлэл, Холбооны Технологийн Сургууль болон Мэдээллий...
Аналог электроник 2-2014
Д араах зурагт үзүүлсэн хэлхээний дамжууллын характеристикийг -2V<V in <+2V завсарт зурж, |V in -V out |<5mV үеийн оролтын хүчдэлий...
Аналог электроник 1-2014
Зу рагт үзүүлсэн дамжууллын характеристикийн дагуу ажиллах хэлхээг 1кОмын эсэргүүцэл болон идеаль диод ашиглан зохио.
Цахилгаан техник 5- 2013
Өгөгдсөн хэлхээний V 0 хүчдэлийг ол.
Электроникийн XV олимпиадад ирсэн бодлогууд
Бодлого №1 Зураг 2-д харуулсан хэлхээний оролтонд нь зураг 1-д харуулсан импульсийг өгсөн гэвэл гаралтын дохионы хугацааны диаграмыг зур...
Цахилгаан техник 10-2013
Доорх вектор диаграммыг үүсгэх цахилгаан хэлхээг тодорхойлж, элементүүдийг нь олно уу. w=2000, I 1 =2.203( 6.25 °)А , I 3 =0.756( 234.62 °)A...
Powered by
Blogger
.
Архив
►
2014
(78)
►
November
(9)
►
October
(67)
►
September
(2)
▼
2013
(245)
►
November
(3)
▼
October
(242)
ШУТИС ЭХИС №4 2013
ШУТИС ЭХИС №3 2013
ШУТИС ЭХИС №2 2013
ШУТИС ЭХИС №1 2013
ШУТИС ЭХИС №3 2013
ШУТИС ЭХИС №2 2013
ШУТИС ЭХИС №1 2013
ШУТИС ЭХИС №2 2013
ШУТИС ЭХИС №1 2013
Тоон электроник 10-2013
Тоон электроник 9-2013
Тоон электроник 8-2013
Тоон электроник 7-2013
Тоон электроник 6-2013
Тоон электроник 5-2013
Тоон электроник 4-2013
Тоон электроник 3-2013
Цахилгаан техник 10-2013
Тоон электроник 2-2013
Тоон электроник 1-2013
Аналог электроник 5 -2013
Аналог электроник 4 - 2013
Аналог электроник 3 - 2013
Анолаг электоник 2 - 2013
Аналог электроник 1 - 2013
Цахилгаан техник 8-2013
Цахилгаан техник 9-2013
Тоон электроник 2 - 2013
Тоон электроник 1 - 2013
Цахилгаан техник 10 - 2013
Цахилгаан техник 9 -2013
Цахилгаан техник 8 -2013
Цахилгаан техник 7- 2013
Цахилгаан техник 6- 2013
Цахилгаан техник 5- 2013
Цахилгаан техник 4- 2013
Цахилгаан техник 3- 2013
Цахилгаан техник 2- 2013
Цахилгаан техник 1-2013
Тоон электроник 2 - 2013
Тоон электроник 1 - 2013
Цахилгаан техник 7 - 2013
Цахилгаан техник 6 - 2013
Цахилгаан техник 5 - 2013
Цахилгаан техник 4-2013
Цахилгаан техник 3 -2013
Цахилгаан техник 2-2013
Аналог электроник 8-2013
Аналог электроник 7-2013
Аналог электроник 6-2013
Тоон электроник 5-2013
Тоон электроник 4-2013
Тоон электроник 3-2013
Тоон электроник 2-2013
Тоон электроник 1-2013
Цахилгаан техник 5-2013
Цахилгаан техник 4-2013
Цахилгаан техник 3-2013
Цахилгаан техник 2-2013
Цахилгаан техник 1-2013
Аналог электроник 5-2013
Аналог электроник 4-2013
Аналог электроник 3-2013
Аналог электроник 2-2013
Цахилгаан техник 1-2013
Аналог электроник 1-2013
Цахилгаан техник 6-2013
Цахилгаан техник 7-2013
Цахилгаан техник 5-2013
Цахилгаан техник 4-2013
Аналоги электроник 10-2013
Цахилгаан техник3-2013
Цахилгаан техник 2-2013
Цахилгаан техник1-2013
Аналог электроник 5-2013
Тоон электроник 2-2013
Тоон электроник 1-2013
Аналог электроник 4-2013
Аналог электроник 3-2013
Аналог электроник 2-2013
Аналоги электроник 9-2013
Аналоги электроник 8-2013
Аналог электроник 1-2013
Аналоги электроник 7-2013
Аналоги электроник 6-2013
Цахилгаан электроник 2-2013
Цахилгаан электроник 1-2013
Аналоги электроник 5-2013
аналоги электроник 4-2013
Аналоги электроник 3-2013
Аналоги электроник 2-2013
Аналоги электроник 1-2013
10. Fibonacci number generator-2013
9.FSM-2013
8. Washing machine-2013
7. Comparator-2013
6. FSM-2013
5. Parity checker-2013
4. Parity checker -2013
3. Counter FSM-2013
Шошго
Мэдээ
(13)
Онцлох
(6)
Хэрэгтэй файлууд
(4)
Архив
►
2014
(78)
►
November
(9)
►
October
(67)
►
September
(2)
▼
2013
(245)
►
November
(3)
▼
October
(242)
ШУТИС ЭХИС №4 2013
ШУТИС ЭХИС №3 2013
ШУТИС ЭХИС №2 2013
ШУТИС ЭХИС №1 2013
ШУТИС ЭХИС №3 2013
ШУТИС ЭХИС №2 2013
ШУТИС ЭХИС №1 2013
ШУТИС ЭХИС №2 2013
ШУТИС ЭХИС №1 2013
Тоон электроник 10-2013
Тоон электроник 9-2013
Тоон электроник 8-2013
Тоон электроник 7-2013
Тоон электроник 6-2013
Тоон электроник 5-2013
Тоон электроник 4-2013
Тоон электроник 3-2013
Цахилгаан техник 10-2013
Тоон электроник 2-2013
Тоон электроник 1-2013
Аналог электроник 5 -2013
Аналог электроник 4 - 2013
Аналог электроник 3 - 2013
Анолаг электоник 2 - 2013
Аналог электроник 1 - 2013
Цахилгаан техник 8-2013
Цахилгаан техник 9-2013
Тоон электроник 2 - 2013
Тоон электроник 1 - 2013
Цахилгаан техник 10 - 2013
Цахилгаан техник 9 -2013
Цахилгаан техник 8 -2013
Цахилгаан техник 7- 2013
Цахилгаан техник 6- 2013
Цахилгаан техник 5- 2013
Цахилгаан техник 4- 2013
Цахилгаан техник 3- 2013
Цахилгаан техник 2- 2013
Цахилгаан техник 1-2013
Тоон электроник 2 - 2013
Тоон электроник 1 - 2013
Цахилгаан техник 7 - 2013
Цахилгаан техник 6 - 2013
Цахилгаан техник 5 - 2013
Цахилгаан техник 4-2013
Цахилгаан техник 3 -2013
Цахилгаан техник 2-2013
Аналог электроник 8-2013
Аналог электроник 7-2013
Аналог электроник 6-2013
Тоон электроник 5-2013
Тоон электроник 4-2013
Тоон электроник 3-2013
Тоон электроник 2-2013
Тоон электроник 1-2013
Цахилгаан техник 5-2013
Цахилгаан техник 4-2013
Цахилгаан техник 3-2013
Цахилгаан техник 2-2013
Цахилгаан техник 1-2013
Аналог электроник 5-2013
Аналог электроник 4-2013
Аналог электроник 3-2013
Аналог электроник 2-2013
Цахилгаан техник 1-2013
Аналог электроник 1-2013
Цахилгаан техник 6-2013
Цахилгаан техник 7-2013
Цахилгаан техник 5-2013
Цахилгаан техник 4-2013
Аналоги электроник 10-2013
Цахилгаан техник3-2013
Цахилгаан техник 2-2013
Цахилгаан техник1-2013
Аналог электроник 5-2013
Тоон электроник 2-2013
Тоон электроник 1-2013
Аналог электроник 4-2013
Аналог электроник 3-2013
Аналог электроник 2-2013
Аналоги электроник 9-2013
Аналоги электроник 8-2013
Аналог электроник 1-2013
Аналоги электроник 7-2013
Аналоги электроник 6-2013
Цахилгаан электроник 2-2013
Цахилгаан электроник 1-2013
Аналоги электроник 5-2013
аналоги электроник 4-2013
Аналоги электроник 3-2013
Аналоги электроник 2-2013
Аналоги электроник 1-2013
10. Fibonacci number generator-2013
9.FSM-2013
8. Washing machine-2013
7. Comparator-2013
6. FSM-2013
5. Parity checker-2013
4. Parity checker -2013
3. Counter FSM-2013
Хуваалцах
Subscribe
Follow Us!
Be Our Fan
Шошго
ELO-2013
(1)
ELO-2013-dun
(4)
ELO-2013-juram
(3)
ELO-2014-hutulbur
(1)
ELO-2014-juram
(1)
ELO-2014-protocol
(1)
oroltsogchid
(1)
pictures
(5)
reports
(1)
БХИС-ЦКС-А
(5)
БХИС-ЦКС-Т
(2)
БХИС-ЦКС-Ц
(11)
заавар
(1)
МУИС-МТС-А
(15)
МУИС-МТС-Т
(23)
МУИС-МТС-Ц
(15)
МУИС-УБС-Т
(12)
МУИС-УБС-Ц
(15)
МУИС-ФЭС-А
(9)
МУИС-ФЭС-Т
(7)
МУИС-ФЭС-Ц
(11)
Мэдээ
(13)
Онцлох
(6)
ХИС-МХМС-А
(10)
ХИС-МХМС-Ц
(9)
Хэрэгтэй файлууд
(4)
ШУТИС-КТМС-А
(18)
ШУТИС-КТМС-Т
(20)
ШУТИС-КТМС-Ц
(20)
ШУТИС-МХТС-A
(1)
ШУТИС-МХТС-А
(26)
ШУТИС-МХТС-Т
(20)
ШУТИС-МХТС-Ц
(20)
ШУТИС-ЭХИС-А
(11)
ШУТИС-ЭХИС-Т
(5)
ШУТИС-ЭХИС-Ц
(9)
0 comments:
Post a Comment