Wednesday, October 29, 2014

Цахилгаан хэлхээ 8-2014

Зурагт үзүүлсэн хэлхээ ямар төрлийн шүүр болохыг тодорхойлж, дамжууллын характеристикийг нь байгуул. Өгөгдөл: R=63 Ом, Lcoil=50mH, C=127nF, Rcoil=2 Ом.


Цахилгаан хэлхээ 7-2014

R1=2 Ом эсэргүүцэл, C1=0.191uF багтаамж зэрэгцээ холбогджээ. Энэ хэлхээтэй эквивалент, цуваа холбогдсон R2, C2 бүхий хэлхээний эсэргүүцэл, багтаамжийн хэмжээг тодорхойл. давтамж нь f=1MHz.

Цахилгаан хэлхээ 6-2014

Аккумуляторын цахилгаан хөдөлгөгч хүч ба дотоод эсэргүүцлийг тодорхойлох зорилгоор доорх зурагт үзүүлсэн хэлхээ угсарч хэмжилт хийв. Амперметр 2А-ыг зааж байхад вольтметр 10В-ыг, амперметр 1А-ыг зааж байхад вольтметр 12В-ыг зааж байсан бол аккумуляторын ЦХХ болон дотоод эсэргүүцлийг ол.

Цахилгаан хэлхээ 5-2014

Өгөгдсөн потенциалын диаграмуудыг ашиглан цахилгаан хэлхээний бүдүүвчийг зурна уу.

Цахилгаан хэлхээ 4-2014

Өгөгдсөн хэлхээний салаа бүрээр урсах гүйдэл, элемент бүр дээр унах хүчдэлд харгалзах векторуудыг комплекс хавтгайд байгуулахдаа доорх нөхцлүүдийг тооцно.  Үүнд:   R3=XL3||XC3  , XL3<XC3 ,  Z2>Z3 бөгөөд R2>>XL2 ,   Z1>Z2||Z3.


Цахилгаан хэлхээ 3-2014

Зурагт харуулсан хэлхээний a, b төгсгөлийн хоорондох хүчдэлийг ол.

Цахилгаан хэлхээ 2-2014

Өгөгдсөн  Тдөрвөн туйлтын Za=5s, Zb=1000/s, Zc=4 бол Z12, Z22-г тооцоолж, I1=0 үед U2=20<100° гэж тооцон U1-ийн векторын диаграмм болон түүний бодит бүрэлдэхүүний хугацааны диаграммыг байгуул. w=100.

Цахилгаан хэлхээ 1-2014

Өгөгдсөн вектор диаграммаас хугацааны диаграммыг байгуул.

Дохионы үүсгүүр 10-2014

CLK сигналын удирдлагаар OUT дохио үүсгэдэг хэлхээ зохионо уу.

Зарлал QL200-ийн сургалт

QL200 сургалтын хавтан дээрх PIC микроконтроллерийн 3 дахь сургалт 10 сарын 30-ны өдрийн 14:30 минутаас эхлэнэ. Гэрийн даалгавараа хийж ирэхийг хүсье. Багш Р. Бямбажав.

Сервер 9-2014

Хоёр клиентийн хооронд хэрэглэх 1 нөөцийг (resource) дараах байдлаар зохион байгуулах сервер зохион бүтээ.


Клиент, нөөц 2 нь 4 фазын протоколоор харьцана. 

Сервер нь дараах нөхцөлийн хангаж ажиллах хэрэгтэй. Үүнд:
- хугацааны нэг агшинд нөөц рүү зөвхөн 1 клиент хандаж болно.
- хүсэлт бүр нь заавал биелэгдэх ёстой
- клиент 1 нь клиент 2-оосоо илүү давуу эрхтэй байна.

Манчестер код үүсгэгч 8-2014

Х гэсэн цуваа дамжуулалтын шугамаар  CLK сигналтайгаа синхроноор битүүдийг дамжуулахдаа  2 клок цикл бүрт 1 бит дамжуулдаг Манчестер код үүсгэгчийг холбосон бөгөөд энэ енкодерийн схемийг зохио. Үүнд: Код үүсгэгчээс гарсан бит бүрийг Манчестер кодын дагуу 2 клок цикл дараалан дамжуулах бөгөөд дарааллыг хүснэгтэнд үзүүлэв. Z- гаралт болно.
Жишээ нь:


3-р клок дээр 0-ийг хүлээж аваад 4 ба 5-р клок сигналын үед  Z рүү 0-ийг 1 ба 0 гэж дамжуулна.

Грей код 7-2014

Тухайн агшинд оролтон дээр ирсэн 4 битийн Грей кодын өмнөх Грей кодын утгыг гаргадаг Грей кодын үүсгүүр зохион бүтээ.

Цуваа дүгнүүр 6-2014

Тус бүр нь 4 битийн тоо оруулах 2 цуваа дамжуулалтын шугамтай цуваа дүгнүүр байна.  Синхрон нэг клок цикл бүрт нэг бит дамжуулах ба LSB бит нь түрүүлж дамжина. Ерөнхий схемийг доор зурагт үзүүлэв. 
Σ гаралтанд 2 оролтонд өгсөн тоонуудын нийлбэрийг гаргана. Дүгнүүр нь тоо бүрийн 4 дэх битийн нийлбэрийг тодорхойлохдоо дүүргэлт болсныг гэрчилж OV гаралтыг идэвхижүүлнэ. Энэ дүгнүүрийн схемийг зохиож, хугацааны диаграмыг зур.

Фазын зөрүүтэй дохионы генератор 5-2014

Оролтондоо CLK клок сигнал хүлээж аваад гаралтандаа 3 үелсэн сигнал гаргадаг генераторын схем зохио. Үүнд, гаралтын 3 үелсэн сигнал нь ижил давтамжтай бөгөөд duty cycle нь 50%, мөн 3 гаралтын сигнал нь хоорондоо үеийнхээ 1/3-тэй тэнцүү харьцангуй фазын зөрөөтэй байна

Цуваа дамжуулалтын алдаа шалгах 4-2014

Цуваа дамжуулалтын протокол нь дараах байдлаар өгөгдлөө дамжуулдаг бол дамжуулалтын явцад гарах нэг битийн алдаа илрүүлэх схемийг зохио. Үүнд:
  2 start bits (=1)
  8 data bits
  1 parity bit (parity odd)
  1 stop bit (=0).
Цуваа дамжуулалтын шугамаар  өгөгдөлийн битүүд нь клок сигналтайгаа синхрон дамжина. Нэг клок циклд нэг бит харгалзах ба 2 дараалсан байт нь 0-ээр тусгаарлагдана. Дамжуулалтын явцад алдаа гарвал ERR сигнал идэвхижих ба дараагийн дамжуулалтаас өмнө ERR сигналыг шалгадаг байна.

Хувьсах нэмэгчтэй нэмэгдүүлэх тоолуур 3-2014

N битийн тоолуур нь  M битийн оролтонд байх утгаар нэмэгдүүлж тоолдог бөгөөд  М < N нөхцөлийг хангах тоолуурын схем болон хугацааны диаграмыг зур.

Нэгийн тоолуур 2-2014



Доор өгөгдсөн нөхцөлөөр ажилладаг “1-ийн тоолуурын схемийг зохио.
Өгөгдөл: Оролтонд ирсэн 6 битийн 2-тын тоонд 1 гэсэн бит хэд байгааг тоолон 3 битийн утгаар илэрхийлж гаралт руу дамжуулна.
Жишээ: Оролт–‘01001’ =>Гаралт – ‘010’
              Оролт–‘10101’ =>Гаралт – ‘011’

Тэгийн тоолуур 1-2014

Доор өгөгдсөн нөхцөлөөр ажилладаг “0-ийн тоолуурын схемийг зохио.
Өгөгдөл: Оролтонд ирсэн 5 битийн 2-тын тоонд 0 бит хэд байгааг тоолон 3 битийн утгаар илэрхийлж гаралт руу дамжуулна. 
 Жишээ: Оролт–‘01001’ =>Гаралт – ‘011’               Оролт–‘10101’ =>Гаралт – ‘010’

Tuesday, October 28, 2014

АНАЛОГ ЭЛЕКТРОНИК 5-2014

Эмиттерийн давтагчийн өндөр давтамжийн үйлчлэл(response)-ийн туйл(pole) болон нүхнүүдийн давтамжийг тодорхойл. Зураг дээрх эмиттерийн давтагчийн параметрүүдийг V+ = 5V, V- = -5V, RS = 0.1kΩ, R1 = 40kΩ, R2 = 5.72kΩ, RE = 0.5kΩ, RL = 10kΩ гэж авч үзнэ. Харин транзисторийн параметрүүд: β = 150, VBE(on) = 0.7V, VA = ∞, Cπ = 35pF, Cµ = 4pF.

АНАЛОГ ЭЛЕКТРОНИК 4-2014

МOSFET транзисторын параметрүүд нь Кn1= Кn2=0.1mA/V, Кn3= Кn4=0.3mA/Vба λ =0 ба Vth2=1V бол commen-mode оролтын хүчдэлийн хязгаарыг(range) ол.

АНАЛОГ ЭЛЕКТРОНИК 3-2014

JFET транзисторын параметрүүд нь IDSS=12mA , VP = -4V , λ =0.01V-1.  Сул дохионы өсгөлт   Vout/Vin ба Rs  эсэргүүцлийн утгыг ол.  gm = 2mA/V гэж үз.

АНАЛОГ ЭЛЕКТРОНИК 2-2014

МOSFET транзисторуудын параметрүүд нь   Vth1 = Vth2 =1.2V , Кn1= Кn2=0.8mA/V2 , λ1 = λ2 =0  ба R1+ R2+ R3 = 300kΩ , Rs = 10kΩ бол VDSQ1= VDSQ2 =2.5V , IDQ = 0.4mA байхаар хэлхээний эсэргүүцлүүдийн хэмжээг ол.

АНАЛОГ ЭЛЕКТРОНИК 1-2014

МOSFET транзисторуудын параметрүүд нь  Кn1=500μA/V,  Кn2=200μA/V2 ,  Vth1 = Vth2 =1.2V, λ1 = λ2 =0 бол IDQ1 = 0.2mA , IDQ2 = 0.5mA , VDS1 = VDS2 =6V Rinput = 100kΩ байхаар эсэргүүцлүүдийн хэмжээг олж сул дохионы хүчдэлийн өсгөлтийг ол.  Үүсгүүрийн дотоод эсэргүүцэлийг тооцохгүй.

Тоон электроник 5-2014

Дараах зурагт үзүүлсэн төлвийн диаграммыг ASM алгоритм хэлбэрт оруулан зур.




ЦАХИЛГААН ХЭЛХЭЭ 5-2014

Өгөгдсөн хэлхээний оролтонд дараах дохиог өгсөн бол гаралтын хүсдэлийн утгыг ол.

Тоон электроник 4-2014

Дараах хүснэгтэнд харгалзах үйлдэл хийдэг регистрийг 4 мультиплексер болон 4 D флип-флоп ашиглан зохио.



S1
S0
        Үйлдэл
0
0
Hold
0
1
Синхрон clear
1
0
Комплемент
1
1
Баруун шифт

ЦАХИЛГААН ХЭЛХЭЭ 4-2014

Z параметр нь доор өгөгдсөн тэгшитгэлтэй адилхан байх хэлхээг зур.


Цахилгаан хэлхээ 3-2014

R=5 Ohm бол L ба С-ийн хэмжээг ол.

Цахилгаан хэлхээ 2-2014

Хэлхээний өсгөлт(H(s))-ийг Bode диаграм дээр зур.

                     H(s)=Vout/Vin


ЦАХИЛГААН ХЭЛХЭЭ 1-2014

Ерөнхий индукцлэл  Leq-ийг ол.

Аналог электроник 9-2014

Дараах хэлхээний гаралтын хүчдэлийн өөрчлөгдөх царааг ол. Мөн потенциометр нь 20 эргэдэг бол эргэлт бүрд харгалзах гаралтын хүчдэлийн өөрчлөлтийн хэмжээг ол.


Аналог электроник 8-2014

Дараах хэлхээний хувьд I1 нь идеаль гүйдлийн толь, диодуудын дотоод эсэргүүцлийг тооцохгүй гэвэл бага дохионы хүчдэл өсгөлтийн коэффициентийг тодорхойл.

Аналог электроник 7-2014

Дараах хэлхээний хүчдэл өсгөлтийн коэффициент нь 4 ба оролтын хүчдлийн 100 mV утганд  М1 нь триодын горимоос гарах бол түүний чадлыг 2mW гэж тооцон эсэргүүцлүүдийн хэмжээг тодорхойл.

Аналог электроник 6-2014

Зурагт үзүүлсэн хэлхээний хүчдэл өсгөлтийн коэффициентийг тодорхойл. транзисторын сувгийн өргөний модуляцийн коэффициент нь 0-ээс ялгаатай гэж тооцно. 

Аналог электроник 5-2014

Дараах хэлхээний M1 болон M2 гүйдлийн толь хэлбэрээр ажиллаж байгаа бол VB=1V, W/L=20/0.25 үеийн IY –ийн хэмжээ болон M1 болон M2 –ын гаралтын эсэргүүцлүүдийн хамаарлыг тодорхойл.

Аналог электроник 4-2014

Дараах хэлхээний  IS1=3IS2=6*10-16А бол IХ гүйдлийн хэмжээг тодорхойл

Аналог электроник 3-2014

Дараах хэлхээний транзисторуудын ханалтын гүйдэл IS1=2IS2=5×10-16А бол IХ=1.2mА байлгах VB хүчдэлийн утгыг тодорхойл. Транзистор идэвхтэй горимд ажиллаж байгаа бол RC эсэргүүцэл ямар утгатай байх вэ?

Аналог электроник 2-2014

Дараах зурагт үзүүлсэн хэлхээний дамжууллын характеристикийг -2V<Vin<+2V завсарт зурж, |Vin-Vout|<5mV үеийн оролтын хүчдэлийн хамгийн их утгыг тодорхойл.

Аналог электроник 1-2014

Зурагт үзүүлсэн дамжууллын характеристикийн дагуу ажиллах хэлхээг 1кОмын эсэргүүцэл болон идеаль диод ашиглан зохио.

Saturday, October 25, 2014

Цахилгаан электроник 10-2014


Үйлдэлийн өсгөгч нь идиал , зангилаа B,C дээр үүсэж байгаа синусын дохиог зур ? A зангилаан дээрх унаж бүй синус дохиог  ол ?    V0-ийг ол
Хэрэв үйдэлийн өсгөгч нь +15V хэвийн ажилж харин +14vнд гаралт багсана гэж үзнэ .
ямар хэмжээний синус долгион үүсэх вэ ?

Аналог электроник 10-2014

Өсгөлтийн алофрицентийг α гэж үзээд Q1,Q2,Q3 аар гүйж байгаа гүйдэл нь 2mA, 2mA ,4mA бол .Эсэргүйцэл тус бүрийг тодорхойл


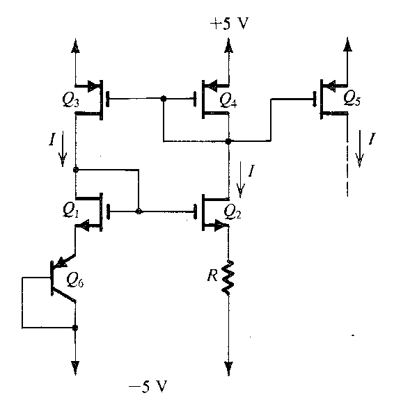
Аналог электроник 9-2014

Хэрэв хэлхээнд байгаа NPN транзистор нь Is гүйдэлд хамааралтай бол dc гүйдэл I нь IR=VT-нд хамаарна.Q1,Q2 ижил утагатай , Q3,Q4,Q5 хоорондоо ижил утгатай бол R ийг ол ? 
I=10uA , VEB =0.7v , IE=1mA

Цахилгаан электроник 9-2014

Хэлхээн дээрх үйлдэлийн үүсгүүр нь +4mV ийн офсетtтэй .Гаралтын офсет хүчдэлийг ол ?
Хэрэв 1Kohm -ийн эсэргүйцэлийг C кондинсатораар орлуулвал офсет ямар байх вэ ?
хэрэв 1Kohm ийн рэзиссторийг кондинсатортай цуг газарлуу холбовол офсет ийн хариу ямар байх вэ ?